Àλ縻
IZK Á¦Ç° ½Ã¸®Áî
īŻ·Î±× ´Ù¿î·Îµå
°ßÀû¹®ÀÇ
°øÁö»çÇ×
°æ¿µ¹æÄ§ ¹× °æ¿µÀ̳ä
º¼½ºÅ©·ùÀÇ Çü¹ø±¸¼º
CADÆÄÀÏ ´Ù¿î·Îµå
ȸ»ç¿¬Çõ
IZK Á¤¹Ð º¼½ºÅ©·ùÀÇ Æ¯Â¡
¿À½Ã´Â ±æ
º¼½ºÅ©·ùÀÇ Á¦ÀÛ¹üÀ§
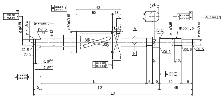
º¼½ºÅ©·ùÀÇ ±¸Á¶
Á¤¹Ð º¼½ºÅ©·ùÀÇ Á¤µµ
³ª»ç Ãà ¼³°è
Á¤µµ ¼³°è
¼ö¸í ¼³°è
±¸µ¿ ÅäÅ©
À±È°°ú ¹æÁø
Ãà´Ü ¹Ì°¡°ø¿¡ ´ëÇØ
º¼½ºÅ©·ù Ãë±Þ»óÀÇ ÁÖÀÇ
IZK Á¦Ç° ½Ã¸®Áî
HOME > Á¦Ç°¼Ò°³ >
IZK Á¦Ç° ½Ã¸®Áî
´ÜÀ§ : mm